|
The Monster Project
|
|
| svjatoslavdubolom | Дата: Четверг, 20.10.2022, 19:30 | Сообщение # 346 |
 Полковник
Группа: Модераторы
Сообщений: 162
Статус: Offline
| Цитата jpatay (  ) Зараз не займаєтесь динаміками? Динаміки та підсилювачі тільки після повернення. Проте купую при нагоді потрібні. Навіть парою сотових розжився. Ще в цьому місяці планую мікроваги до 20 грам, з точністю один міліграм. Бо маю на порядок грубіші. А це вже обмежує можливості. А потім, якщо вдасться, буде вимірювач індукції в магнітному зазорі.
|
| |
|
|
| jpatay | Дата: Четверг, 20.10.2022, 19:32 | Сообщение # 347 |
 Генералиссимус
Группа: Пользователи
Сообщений: 2727
Статус: Offline
| Цитата svjatoslavdubolom (  ) Динаміки та підсилювачі тільки після повернення. Зрозуміло. 
Знайшов в себе такі релюхи, тільки на 12 В.
|
| |
|
|
| svjatoslavdubolom | Дата: Четверг, 20.10.2022, 19:35 | Сообщение # 348 |
 Полковник
Группа: Модераторы
Сообщений: 162
Статус: Offline
| Гарна цяцька. Якщо запаралелити контакти, підуть на вихід підсилювача, в блок захисту АС.
|
| |
|
|
| digitalprojectspb | Дата: Четверг, 20.10.2022, 23:41 | Сообщение # 349 |
 Полковник
Группа: Пользователи
Сообщений: 244
Статус: Offline
| А таке вам як?
|
| |
|
|
| jpatay | Дата: Пятница, 21.10.2022, 10:15 | Сообщение # 350 |
 Генералиссимус
Группа: Пользователи
Сообщений: 2727
Статус: Offline
| Цитата svjatoslavdubolom (  ) Якщо запаралелити контакти, Там один перекидний контакт, але є два вивода на кожному контакті для пайки. Контакти розраховані на 16 А/ 30 В постійної напруги.


Я їх випаяв з УПСів.
Цитата digitalprojectspb (  ) А таке вам як? Але якщо купувати нові реле, то можна і з платиновими контактами, аби гаманець витримав.  Добавлено (21.10.2022, 10:44) ---------------------------------------------
Цитата digitalprojectspb (  ) Динаміками, як я пам'ятаю, щільно займалися якраз у Білій Церкві. Про виробництво динаміків в Білій Церкві не чув, а ось в Вінниці ВЧ динаміки виготовляли: http://podvesy.sells.com.ua/gp-sound-tayger/b36
|
| |
|
|
| digitalprojectspb | Дата: Пятница, 21.10.2022, 15:57 | Сообщение # 351 |
 Полковник
Группа: Пользователи
Сообщений: 244
Статус: Offline
| Там не платинові контакти, зате відразу вихідна клема є. Обмотка потрібна на 48 або 60В, щоб не городити город з додатковими джерелами живлення або резисторами, що гасять надлишок напруги. Тоді весь вузол захисту живиться від шини живлення підсилювача. uCP1237 розрахована на живлення до 60В.
|
| |
|
|
| jpatay | Дата: Пятница, 21.10.2022, 16:20 | Сообщение # 352 |
 Генералиссимус
Группа: Пользователи
Сообщений: 2727
Статус: Offline
| Цитата digitalprojectspb (  ) Там не платинові контакти, зате відразу вихідна клема є. Те, що ці реле класні, погоджуюсь.
|
| |
|
|
| digitalprojectspb | Дата: Пятница, 21.10.2022, 18:41 | Сообщение # 353 |
 Полковник
Группа: Пользователи
Сообщений: 244
Статус: Offline
| https://mag-audio.com/ua/about-us
|
| |
|
|
| jpatay | Дата: Пятница, 21.10.2022, 19:46 | Сообщение # 354 |
 Генералиссимус
Группа: Пользователи
Сообщений: 2727
Статус: Offline
| Цитата digitalprojectspb (  ) https://mag-audio.com/ua/about-us Треба Юріку туди працевлаштуватись.
|
| |
|
|
| digitalprojectspb | Дата: Пятница, 21.10.2022, 19:54 | Сообщение # 355 |
 Полковник
Группа: Пользователи
Сообщений: 244
Статус: Offline
| Чому нi. Добавлено (22.10.2022, 21:36) --------------------------------------------- Ось ви плануєте застосувати імпульсні блоки живлення. Я подумав, і теж вирішив, тим більше, що запропонували непогані від MeanWell – 4 штуки по 150Вт 48В. І вони мають вхід управління старт-стоп. У тих блоках живлення, які ви маєте намір застосувати, є така можливість? Я до того, що, на мій погляд, є сенс зробити ще одну "сервісну" плату, на яку винести половину Цобеля (L та другу RC-ланцюжку), клеми та роз'єми виходів, а також схеми захисту та управління живленням. Добавлено (22.10.2022, 22:59) --------------------------------------------- І, до речі, хочеться використати харківські РЭН-33.
|
| |
|
|
| jpatay | Дата: Воскресенье, 23.10.2022, 08:39 | Сообщение # 356 |
 Генералиссимус
Группа: Пользователи
Сообщений: 2727
Статус: Offline
| Цитата digitalprojectspb (  ) І вони мають вхід управління старт-стоп. У тих блоках живлення, які ви маєте намір застосувати, є така можливість? В даній схемі є тільки софт-старт, але мікросхема SG3525, я думаю, дозволяє це зробити, бо там є захист від КЗ і навіть автор туди прикрутив захист від постійної напруги на акустику. Більше про цю мікросхему можна читнути тут: https://microcontrollerslab.com/sg3525-pwm-ic-pinout-examples-applications-features-datasheet/ або в даташиті...
Мені дуже сподобався цей імпульсник. На виході 40 В при 20 мА на осцилографі - рівна пряма лінія з шумами менше 5 мВ. Але це з стабілізацією напруги. Без неї набагато гірше.
Цитата digitalprojectspb (  ) є сенс зробити ще одну "сервісну" плату, на яку винести половину Цобеля (L та другу RC-ланцюжку), клеми та роз'єми виходів, а також схеми захисту та управління живленням. Так і треба, але я би uCP1237 не використовував. В ній багато деталей на обв"язці. Краще в імпульснику використати додаткову напругу на +12 В для сервісних функцій і також для захисту, або намотати 24 В. Я собі передбачив 12 В для таких цілей на стабі 7812.
Сообщение отредактировал jpatay - Воскресенье, 23.10.2022, 08:41 |
| |
|
|
| jpatay | Дата: Воскресенье, 23.10.2022, 08:42 | Сообщение # 357 |
 Генералиссимус
Группа: Пользователи
Сообщений: 2727
Статус: Offline
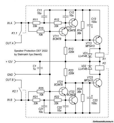
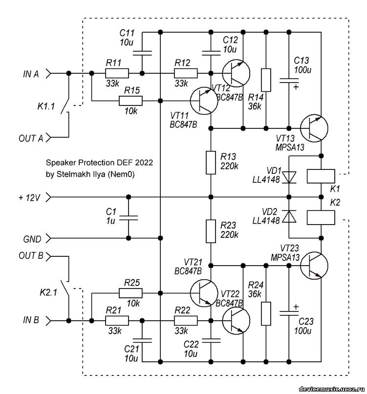
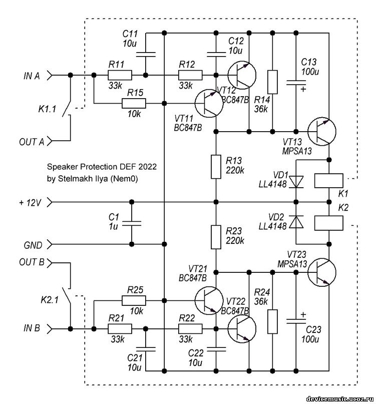
| Для захисту добре було б використати цю схему:Добавлено (23.10.2022, 08:45) --------------------------------------------- Плата:
https://www.pcbway.com/project/shareproject/Speaker_protection_DEF_2021_____________DEF_2021.html
Сообщение отредактировал jpatay - Воскресенье, 23.10.2022, 08:43 |
| |
|
|
| jpatay | Дата: Воскресенье, 23.10.2022, 08:47 | Сообщение # 358 |
 Генералиссимус
Группа: Пользователи
Сообщений: 2727
Статус: Offline
| Там є тільки малюнок, але якщо добавляти Цобеля, то все одно треба свою плату розробляти.

- минимальное постоянное напряжение на выходе усилителя (входе защиты) необходимое для отключения акустической системы +1В / -3,5В.
|
| |
|
|
| digitalprojectspb | Дата: Воскресенье, 23.10.2022, 18:22 | Сообщение # 359 |
 Полковник
Группа: Пользователи
Сообщений: 244
Статус: Offline
| Цитата jpatay (  ) Так і треба, але я би uCP1237 не використовував. В ній багато деталей на обв"язці. Хіба це багато?
|
| |
|
|
| jpatay | Дата: Воскресенье, 23.10.2022, 20:14 | Сообщение # 360 |
 Генералиссимус
Группа: Пользователи
Сообщений: 2727
Статус: Offline
| В моїй Тошибі щось багато деталей натицькано...
|
| |
|
|