|
Гибридный лампово-транзисторный усилитель "БРИЗ-2"
|
|
| svjatoslav | Дата: Понедельник, 14.02.2011, 01:42 | Сообщение # 1 |
|
Группа: Удаленные
| В этой теме обсудим мощный лампово-полевой гибридный усилитель "БРИЗ-2" и его схемные варианты. Плюс техподдержка проекта от автора и повторивших его. Статья о нём размещена на главной странице по адресу: http://devicemusic.ucoz.ru/blog....02-14-5 Его схема:
 Печатные платы, разработанные форумчанами, представлены в сообщениях 74, 81, 196, 201, 208.
Токовые фильтры, необходымые для стыковки акустических систем с усилителями "БРИЗ" и "БРИЗ-2" будем обсуждать в отдельной теме: http://devicemusic.ucoz.ru/forum/11-227-1 Схема варанта, "Бриз-2М" на странице 15, в сообщени №217.
|
| |
|
|
| nissan | Дата: Суббота, 09.02.2013, 15:00 | Сообщение # 361 |
|
Рядовой
Группа: Пользователи
Сообщений: 7
Статус: Offline
| zdravstvuite o4en zainterisovalsya etoi sxemoi no xotelos bi uznat bolee visoki moshnosti nu do 1000w v nagruzku mojnoli budet polu4it ot etogo uselitelya soxronyaya ego ka4estva
|
| |
|
|
| svjatoslav | Дата: Суббота, 09.02.2013, 20:30 | Сообщение # 362 |
|
Группа: Удаленные
| Усилитель может работать с бОльшими напряжениями питания, и, соответственно, большей выходной мощностью. Вплоть до максимального анодного рабочего напряжения ламп 6Н23П. 1000 Вт от этой схемы теоретически вполне возможно. Но для этого потребуются более мощные и более высоковольтные транзисторы, запараллеливание выходных каскадов, введение дополнительного драйверного каскада. Попытка запараллеливать выходные каскады была предпринята, но пока она на 100% успехом не увенчалась. В этой теме есть описание этой работы.
|
| |
|
|
| nissan | Дата: Воскресенье, 10.02.2013, 01:41 | Сообщение # 363 |
|
Рядовой
Группа: Пользователи
Сообщений: 7
Статус: Offline
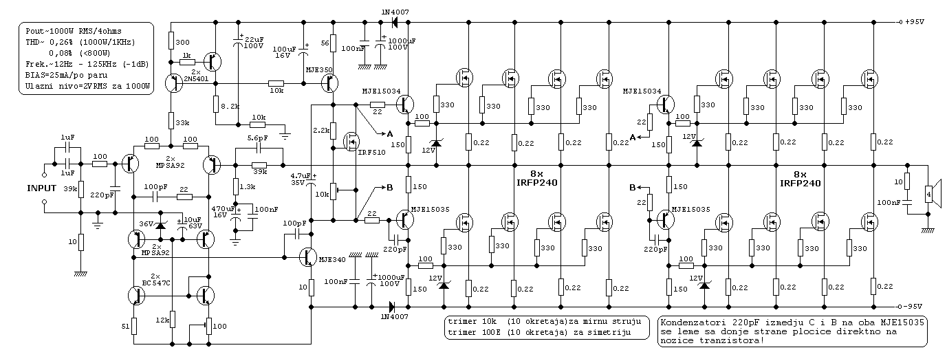
| da da da ya posmotrel zdes bil variant na 250-300w no vsyotaki interesno vsyoje vitashit bolshie moshnosti iz etogo uselitelya dumayu esli postavit v ple4e po 8 shtuk mosfitov irfp240 i napryajenie povisit do +-90-95v dumayu rezultat ne doljen budet ogar4it vsyotaki lampovoe zvu4anie nezamenimo do segodnyashnego dnya vsyotaki dumayu poshamanit nad etoi sxemoi u menya est variant uselitelya rabo4i no tolko na tranzistorax i s xoroshimi xaraktiristikami daje ispolzuyu ego v rabote kokraz na 1000w tam kokraz ispolzuyutca 8 par irfp240 tranzistorov i po pitaniyu kokraz davolno udobnie mosfiti u menya +-95v pitanie i 1000w moshnost
|
| |
|
|
| nissan | Дата: Воскресенье, 10.02.2013, 10:16 | Сообщение # 364 |
|
Рядовой
Группа: Пользователи
Сообщений: 7
Статус: Offline
| ya dumayu mojno soxranit vixodnoi kaskad s draiverami raska4ki a vot deferincialni kaskad vsyoje poprobovat na lampax
|
| |
|
|
| nissan | Дата: Воскресенье, 10.02.2013, 10:18 | Сообщение # 365 |
|
Рядовой
Группа: Пользователи
Сообщений: 7
Статус: Offline
| i 2 variant sxemi
|
| |
|
|
| nissan | Дата: Воскресенье, 10.02.2013, 10:24 | Сообщение # 366 |
|
Рядовой
Группа: Пользователи
Сообщений: 7
Статус: Offline
| toest vixodnoi kaskad ispolzovat etoto i poprobovat ego s lampami
|
| |
|
|
| svjatoslav | Дата: Воскресенье, 10.02.2013, 11:08 | Сообщение # 367 |
|
Группа: Удаленные
| Изюминкой усилителя "БРИЗ-2", кроме непосредственной связи лампы с транзисторами, как раз является то, что выходной каскад усиливает напряжение и имеет высокое выходное сопротивление. Схема, которую Вы привели, имеет низкое выходное сопротивление. Высокое выходное сопротивление позволяет уменьшить искажения непосредственно самой акустической системы, а свойство усиливать напряжение резко снижает требования к ламповому каскаду. Включение транзисторов выходного каскада по каскодной схеме резко повысило его линейность и частотные свойства. Что позволило не применять общую ООС даже при режиме АВ.
|
| |
|
|
| rins | Дата: Воскресенье, 10.02.2013, 13:08 | Сообщение # 368 |
|
Рядовой
Группа: Пользователи
Сообщений: 10
Статус: Offline
| Здравствуйте svjatoslav. Меня интересует возможность использования в выходном каскаде вместо IRF более линейных 2Sk1058 и 2SJ162. Вы сообщили, что схема рассчитана именно на [b]IRF , поскольку у них порог отпирания 5 вольт. У [b]2Sk1058 и 2SJ162 пороговое напряжение существенно ниже. Но всё-таки, можно как-то адаптировать схему под эти транзисторы?[/b][/b]
|
| |
|
|
| svjatoslav | Дата: Воскресенье, 10.02.2013, 16:56 | Сообщение # 369 |
|
Группа: Удаленные
| Спасибо за вопрос. Была задумка попробовать более линейные SK/SJ во "втором этаже" каскодного выхода. Руки не дошли.))) Малое напряжение отпирания будет только плюсом - можно взять стабилитроны напряжением поменьше, с учётом разницы в напряжениях открывания. Это повысит выходную мощность усилителя при том же напряжении питания. Высокая линейность SK/SJ тоже совсем не будет лишней.
|
| |
|
|
| 1247 | Дата: Вторник, 12.02.2013, 13:11 | Сообщение # 370 |
|
Рядовой
Группа: Пользователи
Сообщений: 15
Статус: Offline
| Я думаю многих заинтересует возможность использования SK/SJ в Бриз 2 . И надеемся , что руки у Генерал полковника, когданибудь , дойдут.... ! Добавлено (11.02.2013, 15:46) --------------------------------------------- Здравствуйте! Бриз 2 и снова настройка . Напряжение питания 60 вольт. На катодах 1.2 В. ,сток исток 16,4 В . На анодах по 5.1 В. ток потребления лампы 6.6ма. Подключаю выходные каскады. Меряю пдение напр. на резисторах R9,R10 .... 0.6 вольта !? Делю на 0,56 .. 1 ампер !?Много. Выставляю 0.14 одновременно,подгоняя постоянку на выходе примерно 12мв. . Подключаю СД и колонки всё чисто . Звучит хорошо.... . Делаю громче , появляется каша ? Подключаю эквивалент 8 ом. , гениратор осциллограф.... . На анодах , вход на земле, 4.2В. ? Подаю синус , сигнал на выходе, искажен.. ? Святослав , для тех кто на бронепоезд, что я делаю не так !? Спасибо ! Добавлено (12.02.2013, 13:11) --------------------------------------------- Отбой тревоги ! Всё оказалось просто . Наступил на "грабли" с регулятором громкости на входе. Макетки проверялись с предоварительным усилителем и всё было в норме. Воткнул всё на печатки, регулятор, 50К , громкости . Посмотрел сигнал без нагрузки ,всё в норме. С нагрузкой ,при регулировании громкости, до трех вольт все в норме ,а выше синус косой , опухший , ступенька , треугольник..... , в зависимости от положения регулятора.... ! Возбуждение отсудствовало при любом раскладе. Прблема решилась установкой резистора 1К между рег. громкости и входом. В транзисторных усилителях подобного не наблюдал , а лампами , до этого, не интерисовался . Звучит класно! Большое спасибо автору !
|
| |
|
|
| svjatoslav | Дата: Вторник, 12.02.2013, 15:36 | Сообщение # 371 |
|
Группа: Удаленные
| Цитата (1247) Отбой тревоги ! Всё оказалось просто . Наступил на "грабли" с регулятором громкости на входе. Макетки проверялись с предоварительным усилителем и всё было в норме. Воткнул всё на печатки, регулятор, 50К , громкости . Посмотрел сигнал без нагрузки ,всё в норме. С нагрузкой ,при регулировании громкости, до трех вольт все в норме ,а выше синус косой , опухший , ступенька , треугольник..... , в зависимости от положения регулятора.... ! Возбуждение отсудствовало при любом раскладе. Прблема решилась установкой резистора 1К между рег. громкости и входом. В транзисторных усилителях подобного не наблюдал , а лампами , до этого, не интерисовался . Звучит класно! Большое спасибо автору ! Очень хорошо, что Вы успели разобраться сами. Свой опыт самый ценный, а приобретённая в нём уверенность ещё ценнее. Слушайте в удовольствие!
|
| |
|
|
| nissan | Дата: Вторник, 12.02.2013, 17:01 | Сообщение # 372 |
|
Рядовой
Группа: Пользователи
Сообщений: 7
Статус: Offline
| zdravstvuite mojno li budet esho dobavit 2-3 pari tranzistorov na vixod vsyotaki xotelos bi razognat etot uselitel do 1000W nu estestvenno i uveli4it napryajenie pitaniya i esho vopros k avtoru pridyotca li zamenyat draiverni kaskad na tranzistorax 2sa1380 2sc3502 na bolee moshnie tranzistori mojno li budet ispolzovat vmesto bipolyarnix tranzistorov polevie kakto eto mojet esho blagotvorno skozatca na xarakteristiki uselitelya ? vsyotaki po moei versii raska4at moshni vixodnoi kaskad iz 6-7 IRFP240 ne prostaya zada4a zaranie spasibo
|
| |
|
|
| svjatoslav | Дата: Среда, 13.02.2013, 22:19 | Сообщение # 373 |
|
Группа: Удаленные
| nissan, можете попробовать доработать схему БРИЗ-2М заменив драйверные транзисторы на более мощные, желательно низкочастотные. Эту схему возможно разогнать до 1000 Вт добавив ещё выходных каскадов. Теоретически - да. Но пока не получился вариант с двумя парами выходных каскадов, возможно что-то упустили из внимания. Возбуждение устранять сложно. Если имеете опыт, и желание, попробуйте.
|
| |
|
|
| nissan | Дата: Среда, 13.02.2013, 22:46 | Сообщение # 374 |
|
Рядовой
Группа: Пользователи
Сообщений: 7
Статус: Offline
| sxemu ya na danni moment tshatelno izu4ayu toje xo4u dobitca 4egoto neobi4nogo daje podumivayu nemnogo vidoizmenit vixodnoi kaskad ispolzovat vmesto neskolkix polevix maximum odnu ili dve pari moshnix tanzistorov eto mojet zna4itelno ulu4shit pokozateli ya sei4as vam dam ssilku toje neobi4noe reshenie v audiostroenii avtor ispolzuet IGBT tranzistori vsego 1 paru i moshnost 400W koeficent garmonik 0,006 procentov na vsyom diapazone xotelos bi 4tob vi toje obratili vnimanie ya dumayu 4to budet esli poshamanit nad lampovim vxodom i poxojim vixodnim kaskadom ya dumayu esho lu4she mojno polu4it rezultati esli skrestit i dorabotat (http://cxema.my1.ru/publ/usiliteljam_moshhnosti_nizkoj_chastoty_na_tranzistorakh/novaja_topologija_dlja_umzch_v_v_hi_fi/70-1-0-4968?l1uNI8)
|
| |
|
|
| svjatoslav | Дата: Четверг, 14.02.2013, 11:05 | Сообщение # 375 |
|
Группа: Удаленные
| С IGBT было бы очень интересно. Среди них есть мощные комплементарные? Если да, то они пошли бы во "второй этаж" каскода. Используется их большая мощность и "полевое" управление. На первом можно оставить IRF с большим током стока (есть 60 А и более) и низким предельным напряжением сток-исток. Тогда достаточно будет одного выходного каскада.
|
| |
|
|
|